太阳能路灯LED驱动芯片升压恒流芯片OC6700B详解.docx
-
资源ID:925960
资源大小:43.63KB
全文页数:3页
- 资源格式: DOCX
下载积分:3金币
快捷下载

账号登录下载
微信登录下载
三方登录下载:
友情提示
2、PDF文件下载后,可能会被浏览器默认打开,此种情况可以点击浏览器菜单,保存网页到桌面,就可以正常下载了。
3、本站不支持迅雷下载,请使用电脑自带的IE浏览器,或者360浏览器、谷歌浏览器下载即可。
4、本站资源下载后的文档和图纸-无水印,预览文档经过压缩,下载后原文更清晰。
5、试题试卷类文档,如果标题没有明确说明有答案则都视为没有答案,请知晓。
|
太阳能路灯LED驱动芯片升压恒流芯片OC6700B详解.docx
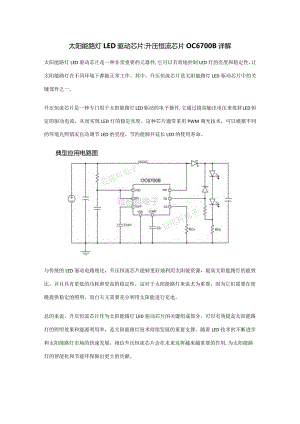
太阳能路灯LED驱动芯片:升压恒流芯片OC6700B详解太阳能路灯LED驱动芯片是一种非常重要的元器件,它可以有效地控制LED灯的亮度和稳定性,让太阳能路灯在不同环境下都能正常工作。其中,升压恒流芯片是太阳能路灯LED驱动芯片中的关键部件之一。升压恒流芯片是一种专门用于太阳能路灯LED驱动的电子器件,它通过提高输出电压来保持LED恒定的驱动电流,从而实现LED灯的稳定亮度。这种芯片通常采用PWM调光技术,可以根据不同的环境光照情况自动调节LED的亮度,节约能源并延长LED的使用寿命。典型应用电路图与传统的LED驱动电路相比,升压恒流芯片能够更好地利用太阳能资源,提高太阳能路灯的能效比,并且具有更低的功耗和更高的稳定性。这对于太阳能路灯来说尤为重要,因为它们需要在夜晚提供稳定的照明,而白天又需要充分利用太阳能进行充电。总的来说,升压恒流芯片作为太阳能路灯LED驱动芯片的关键组成部分,可以有效提高太阳能路灯的照明效果和能源利用率,是太阳能路灯技术持续发展的重要支撑。随着LED技术的不断进步和太阳能路灯市场的快速发展,相信升压恒流芯片会在未来发挥越来越重要的作用,为太阳能路灯的智能化和节能环保做出更大的贡献。其中LED驱动芯片OC6700B就是一款太阳能路灯LED驱动芯片。它具有宽输入电压范围,可适用于不同的电气系统,其输入电压范围为2.6V至60V。此外,OC6700B还内置了60V功率MOS,能够更好地适应各种工作环境。封装及管脚分配1 GNDCTENECOMPHFB 4OnxOC67。B O Xxxx8HVDDFTOFF CSH SW 5ES0P8管脚定义管脚号管脚名描述1GND接地技术支持I33<329I>3O592EN芯片使能,高电平有效:可做PWM调光脚.3COMP频率补偿脚4FB谕出电流检测反馈脚5SW功率MOS管漏极6CS钻入限流检测脚7TOFF关断时间设置8VDD芯片电源OC6700BLED驱动芯片的高效率也是其突出特点之一,其效率可高达95%,能够有效地减少能源浪费,降低系统的能耗。同时,该芯片的最大工作频率可达IMHz,能够满足高频率工作的需求,提高系统性能。在反馈(FB)电流采样电压方面,OC6700B采用了25OmV的电流采样电压,能够实现精确的电流采样,保证了LED的稳定亮度和长寿命。OC6700B还具有芯片供电欠压保护功能,当供电电压低于2.3V时,芯片会自动进行保护,避免损坏芯片。另外,关断时间可调、智能过温保护、软启动等功能也使得OC6700B在实际应用中更加可靠和安全。此外,OC6700B还内置了VDD稳压管,使得整个系统更加稳定可靠。综上所述,LED驱动芯片OC6700B具有先进的技术和丰富的功能特点,适用于众多LED照明和显示设备的驱动控制,为LED照明行业的发展带来了新的机遇和挑战。