管片混凝土原材料及配合比设计检验批质量验收记录.docx
-
资源ID:264706
资源大小:15.80KB
- 资源格式: DOCX
下载积分:3金币
快捷下载

账号登录下载
微信登录下载
三方登录下载:
友情提示
2、PDF文件下载后,可能会被浏览器默认打开,此种情况可以点击浏览器菜单,保存网页到桌面,就可以正常下载了。
3、本站不支持迅雷下载,请使用电脑自带的IE浏览器,或者360浏览器、谷歌浏览器下载即可。
4、本站资源下载后的文档和图纸-无水印,预览文档经过压缩,下载后原文更清晰。
5、试题试卷类文档,如果标题没有明确说明有答案则都视为没有答案,请知晓。
|
管片混凝土原材料及配合比设计检验批质量验收记录.docx
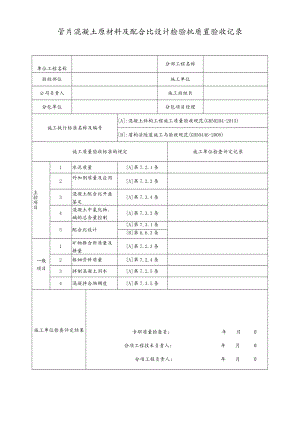
管片混凝土原材料及配合比设计检验批质置验收记录单位工程名称分部工程名称验收部位施工单位公司负责人施工班组长分包单位分包项目经理施工执行标准名称及编号A:混凝土结构工程施工质量验收规范(GB50204-2015)B:盾构法隧道施工与验收规范(GB50446-2008)施工质量验收标准的规定施工单位检查评定记录主控项目1水泥质量A第7.2.1条2外加剂质量及应用A第7.2.2条3混凝土配合比开盘鉴定A第7.3.4条4混凝土中氯化物、碱的总含量控制A第7.3.3条5配合比设计A第7.3.1条B第6.6.3条一般项目1矿物掺合料质量及掺量A第7.2.3条2粗细骨料质量A第7.2.4条3拌制混凝土用水A第7.2.5条4混凝拌合物稠度A第7.3.5条施工单位检查评定结果专职质量检查员:年月日分项工程技术负责人:年月日分项工程负责人:年月日